Lysosomes Micrograph
Nov. 5, 2025
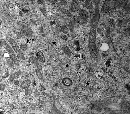
Lysosomes Dr.Jastrow's electron microscopic atlas Electron micrographs showing lysosomes (ly) in both a supporting ... Lysosomes Dr.Jastrow's electron microscopic atlas A tour of the cell: 4.9 Lysosomes and peroxisomes | OpenLearn ... The cell. 5. Vesicular trafficking. Lysosomes. Atlas of plant and ... Lysosomes Micrograph